
|
代號(訂貨號)
|
d(Rc)(R)
|
L
|
L1
|
S
|
方 向
|
重量(kg) |
對應號
|
|
ZY434.1.00
|
1/4
|
54
|
13
|
22
|
正
|
0.181
|
|
|
ZY434.2.00
|
逆
|
||||||
|
ZY434.3.00
|
3/8
|
56
|
逆
|
0.187
|
|||
|
ZY434.4.00
|
正
|
||||||
|
ZY434.5.00
|
1/8
|
50
|
10
|
17
|
逆
|
0.07
|
|
|
ZY434.6.00
|
正
|

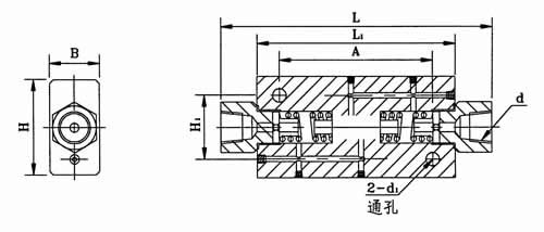
代號(訂貨號) |
d |
L |
B |
H |
A |
L1 |
H1 |
S |
D |
d1 |
重量(kg) |
對應號 |
ZY439.2.00 |
Rc3/8 |
154 |
28 |
47 |
80 |
110 |
30 |
24 |
27.6 |
9 |
1.1 |
YF12.2 |
ZY439.3.00 |
Rc3/4 |
210 |
40 |
76 |
120 |
154 |
50 |
34 |
39 |
11 |
1.74 |
YF12.3 |